My Garage
Cart

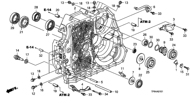
AT Torque Converter Case (V6) fit your 2010 Honda Crosstour 5 Door EXL (4WD NAVIGATION) KA 5AT

Currently shopping for
2010 Honda Crosstour
Change Vehicle
Vehicle Options
5 Door EXL (4WD NAVIGATION); KA 5AT
Vehicle Options
5 Door EXL (4WD NAVIGATION); KA 5AT
Diagram (1 of 1): AT Torque Converter Case (V6)
2010 Honda Crosstour 5 Door EXL (4WD NAVIGATION) KA 5AT AT Torque Converter Case (V6) Diagram
Enlarge Diagram
Sort by:
Ref No.
Ref No.
Part No. & Part Description
Price & Qty.
Part No. &
Part Description
Genuine Honda Parts, the Right Choice
HondaPartsNow.com offers the wholesale prices for genuine 2010 Honda Crosstour parts. Parts like AT Torque Converter Case (V6) are shipped directly from authorized Honda dealers and backed by the manufacturer's warranty. Parts fit for the following vehicle options. Body & Trim: 5 Door EXL (4WD NAVIGATION). Emission & Transmission: KA 5AT.