My Garage
Cart

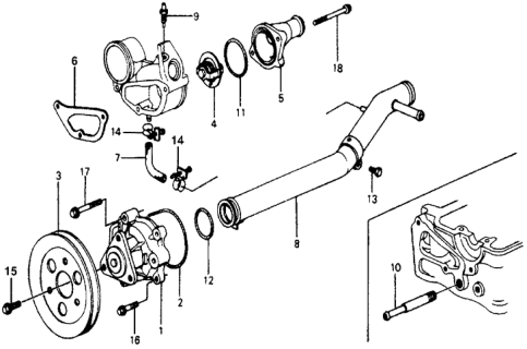
Water Pump - Thermostat fit your 1977 Honda Accord 3 Door STD KH HMT

Diagram (1 of 1): Water Pump - Thermostat
1977 Honda Accord 3 Door STD KH HMT Water Pump - Thermostat Diagram
Enlarge Diagram
Sort by:
Ref No.
Ref No.
Part No. & Part Description
Price & Qty.
Part No. &
Part Description
Genuine Honda Parts, the Right Choice
HondaPartsNow.com offers the wholesale prices for genuine 1977 Honda Accord parts. Parts like Water Pump - Thermostat are shipped directly from authorized Honda dealers and backed by the manufacturer's warranty. Parts fit for the following vehicle options. Body & Trim: 3 Door STD. Emission & Transmission: KH HMT.