My Garage
Cart

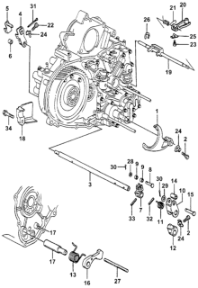
HMT Shift Lever Shaft fit your 1982 Honda Accord 3 Door DX KA HMT

Currently shopping for
1982 Honda Accord
Change Vehicle
Vehicle Options
3 Door DX; KA HMT
Vehicle Options
3 Door DX; KA HMT
Categories Close X
Categories Close X
Diagram (1 of 1): HMT Shift Lever Shaft
1982 Honda Accord 3 Door DX KA HMT HMT Shift Lever Shaft Diagram
Enlarge Diagram
Sort by:
Ref No.
Ref No.
Part No. & Part Description
Price & Qty.
Part No. &
Part Description
Genuine Honda Parts, the Right Choice
HondaPartsNow.com offers the wholesale prices for genuine 1982 Honda Accord parts. Parts like HMT Shift Lever Shaft are shipped directly from authorized Honda dealers and backed by the manufacturer's warranty. Parts fit for the following vehicle options. Body & Trim: 3 Door DX. Emission & Transmission: KA HMT.