My Garage
Cart

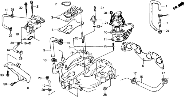
Intake Manifold fit your 1989 Honda Civic 5 Door ** (WAGOVAN) KA 5MT

Diagram (1 of 1): Intake Manifold
1989 Honda Civic 5 Door ** (WAGOVAN) KA 5MT Intake Manifold Diagram
Enlarge Diagram
Sort by:
Ref No.
Ref No.
Part No. & Part Description
Price & Qty.
Part No. &
Part Description
Genuine Honda Parts, the Right Choice
HondaPartsNow.com offers the wholesale prices for genuine 1989 Honda Civic parts. Parts like Intake Manifold are shipped directly from authorized Honda dealers and backed by the manufacturer's warranty. Parts fit for the following vehicle options. Body & Trim: 5 Door ** (WAGOVAN). Emission & Transmission: KA 5MT.