My Garage
Cart

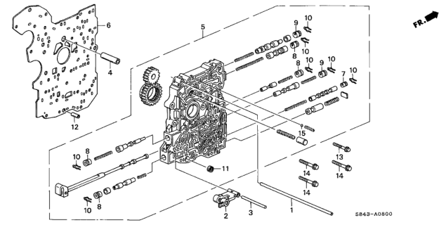
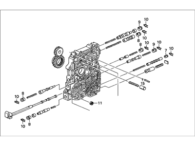
AT Main Valve Body fit your 2001 Honda Accord 2 Door LX (SIDE SRS) KA 4AT

Currently shopping for
2001 Honda Accord
Change Vehicle
Vehicle Options
2 Door LX (SIDE SRS); KA 4AT
Vehicle Options
2 Door LX (SIDE SRS); KA 4AT
Categories Close X
Categories Close X
Diagram (1 of 1): AT Main Valve Body
2001 Honda Accord 2 Door LX (SIDE SRS) KA 4AT AT Main Valve Body Diagram
Enlarge Diagram
Sort by:
Ref No.
Ref No.
Part No. & Part Description
Price & Qty.
Part No. &
Part Description
Genuine Honda Parts, the Right Choice
HondaPartsNow.com offers the wholesale prices for genuine 2001 Honda Accord parts. Parts like AT Main Valve Body are shipped directly from authorized Honda dealers and backed by the manufacturer's warranty. Parts fit for the following vehicle options. Body & Trim: 2 Door LX (SIDE SRS). Emission & Transmission: KA 4AT.