My Garage
Cart

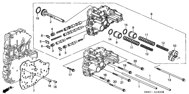
AT Secondary Body (V6) fit your 2001 Honda Accord 4 Door EXV6 KA 4AT

Currently shopping for
2001 Honda Accord
Change Vehicle
Vehicle Options
4 Door EXV6; KA 4AT
Vehicle Options
4 Door EXV6; KA 4AT
Diagram (1 of 1): AT Secondary Body (V6)
2001 Honda Accord 4 Door EXV6 KA 4AT AT Secondary Body (V6) Diagram
Enlarge Diagram
Sort by:
Ref No.
Ref No.
Part No. & Part Description
Price & Qty.
Part No. &
Part Description
Genuine Honda Parts, the Right Choice
HondaPartsNow.com offers the wholesale prices for genuine 2001 Honda Accord parts. Parts like AT Secondary Body (V6) are shipped directly from authorized Honda dealers and backed by the manufacturer's warranty. Parts fit for the following vehicle options. Body & Trim: 4 Door EXV6. Emission & Transmission: KA 4AT.