My Garage
Cart

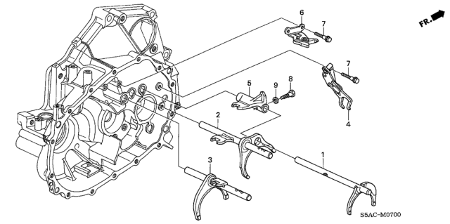
MT Shift Fork - Shift Holder fit your 2005 Honda Civic 4 Door EX KA 5MT

Currently shopping for
2005 Honda Civic
Change Vehicle
Vehicle Options
4 Door EX; KA 5MT
Vehicle Options
4 Door EX; KA 5MT
Categories Close X

Currently selected

Other Categories

Body / Air Conditioning
Chassis
Electrical / Exhaust / Heater / Fuel
Engine
Interior / Bumper
Accessories
Categories Close X

Currently selected

Other Categories

Body / Air Conditioning
Chassis
Electrical / Exhaust / Heater / Fuel
Engine
Interior / Bumper
Accessories
Diagram (1 of 1): MT Shift Fork - Shift Holder
2005 Honda Civic 4 Door EX KA 5MT MT Shift Fork - Shift Holder Diagram
Enlarge Diagram
Sort by:
Ref No.
Ref No.
Part No. & Part Description
Price & Qty.
Part No. &
Part Description
Genuine Honda Parts, the Right Choice
HondaPartsNow.com offers the wholesale prices for genuine 2005 Honda Civic parts. Parts like MT Shift Fork - Shift Holder are shipped directly from authorized Honda dealers and backed by the manufacturer's warranty. Parts fit for the following vehicle options. Body & Trim: 4 Door EX. Emission & Transmission: KA 5MT.