My Garage
Cart

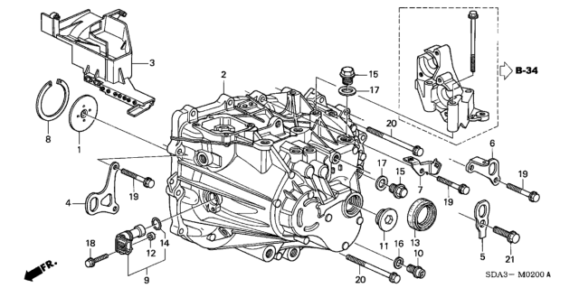
MT Transmission Case (L4) fit your 2006 Honda Accord 4 Door LX KA 5MT

Currently shopping for
2006 Honda Accord
Change Vehicle
Vehicle Options
4 Door LX; KA 5MT
Vehicle Options
4 Door LX; KA 5MT
Categories Close X

Currently selected

Other Categories

Body / Air Conditioning
Chassis
Electrical / Exhaust / Heater / Fuel
Engine
Interior / Bumper
Accessories
Categories Close X

Currently selected

Other Categories

Body / Air Conditioning
Chassis
Electrical / Exhaust / Heater / Fuel
Engine
Interior / Bumper
Accessories
Diagram (1 of 1): MT Transmission Case (L4)
2006 Honda Accord 4 Door LX KA 5MT MT Transmission Case (L4) Diagram
Enlarge Diagram
Sort by:
Ref No.
Ref No.
Part No. & Part Description
Price & Qty.
Part No. &
Part Description
Genuine Honda Parts, the Right Choice
HondaPartsNow.com offers the wholesale prices for genuine 2006 Honda Accord parts. Parts like MT Transmission Case (L4) are shipped directly from authorized Honda dealers and backed by the manufacturer's warranty. Parts fit for the following vehicle options. Body & Trim: 4 Door LX. Emission & Transmission: KA 5MT.