My Garage
Cart

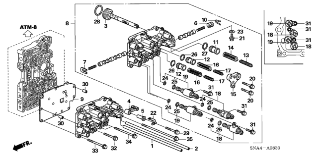
Servo Body fit your 2006 Honda Civic 4 Door EX (NAVIGATION) KA 5AT

Currently shopping for
2006 Honda Civic
Change Vehicle
Vehicle Options
4 Door EX (NAVIGATION); KA 5AT
Vehicle Options
4 Door EX (NAVIGATION); KA 5AT
Categories Close X

Currently selected

Other Categories

Body / Air Conditioning
Chassis
Electrical / Exhaust / Heater / Fuel
Engine
Interior / Bumper
Accessories
Categories Close X

Currently selected

Other Categories

Body / Air Conditioning
Chassis
Electrical / Exhaust / Heater / Fuel
Engine
Interior / Bumper
Accessories
Diagram (1 of 1): Servo Body
2006 Honda Civic 4 Door EX (NAVIGATION) KA 5AT Servo Body Diagram
Enlarge Diagram
Sort by:
Ref No.
Ref No.
Part No. & Part Description
Price & Qty.
Part No. &
Part Description
Genuine Honda Parts, the Right Choice
HondaPartsNow.com offers the wholesale prices for genuine 2006 Honda Civic parts. Parts like Servo Body are shipped directly from authorized Honda dealers and backed by the manufacturer's warranty. Parts fit for the following vehicle options. Body & Trim: 4 Door EX (NAVIGATION). Emission & Transmission: KA 5AT.