My Garage
Cart

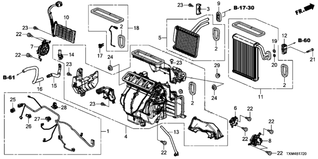
Heater Unit fit your 2020 Honda Insight 4 Door EX KA CVT

Currently shopping for
2020 Honda Insight
Change Vehicle
Vehicle Options
4 Door EX; KA CVT
Vehicle Options
4 Door EX; KA CVT
Diagram (1 of 1): Heater Unit
2020 Honda Insight 4 Door EX KA CVT Heater Unit Diagram
Enlarge Diagram
Sort by:
Ref No.
Ref No.
Part No. & Part Description
Price & Qty.
Part No. &
Part Description
Genuine Honda Parts, the Right Choice
HondaPartsNow.com offers the wholesale prices for genuine 2020 Honda Insight parts. Parts like Heater Unit are shipped directly from authorized Honda dealers and backed by the manufacturer's warranty. Parts fit for the following vehicle options. Body & Trim: 4 Door EX. Emission & Transmission: KA CVT.