My Garage
Cart

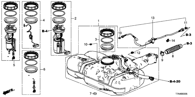
Fuel Tank fit your 2021 Honda HR-V 5 Door EX (2WD) KA CVT

Currently shopping for
2021 Honda HR-V
Change Vehicle
Vehicle Options
5 Door EX (2WD); KA CVT
Vehicle Options
5 Door EX (2WD); KA CVT
Diagram (1 of 1): Fuel Tank
2021 Honda HR-V 5 Door EX (2WD) KA CVT Fuel Tank Diagram
Enlarge Diagram
Sort by:
Ref No.
Ref No.
Part No. & Part Description
Price & Qty.
Part No. &
Part Description
Genuine Honda Parts, the Right Choice
HondaPartsNow.com offers the wholesale prices for genuine 2021 Honda HR-V parts. Parts like Fuel Tank are shipped directly from authorized Honda dealers and backed by the manufacturer's warranty. Parts fit for the following vehicle options. Body & Trim: 5 Door EX (2WD). Emission & Transmission: KA CVT.