My Garage
Cart

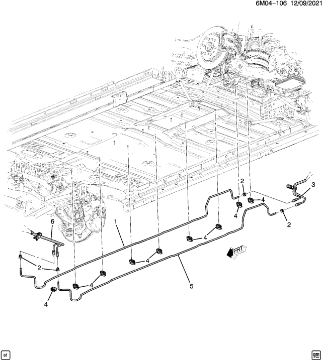
AT Brake Lines - Intermediate fit your 2024 Honda Prologue 5 Door EX AWD 1AT

Currently shopping for
2024 Honda Prologue
Change Vehicle
Vehicle Options
5 Door EX AWD; 1AT
Vehicle Options
5 Door EX AWD; 1AT
Diagram (1 of 1): AT Brake Lines - Intermediate
2024 Honda Prologue 5 Door EX AWD 1AT AT Brake Lines - Intermediate Diagram
Enlarge Diagram
Sort by:
Ref No.
Ref No.
Part No. & Part Description
Price & Qty.
Part No. &
Part Description
Genuine Honda Parts, the Right Choice
HondaPartsNow.com offers the wholesale prices for genuine 2024 Honda Prologue parts. Parts like AT Brake Lines - Intermediate are shipped directly from authorized Honda dealers and backed by the manufacturer's warranty. Parts fit for the following vehicle options. Body & Trim: 5 Door EX AWD. Emission & Transmission: 1AT.