My Garage
Cart

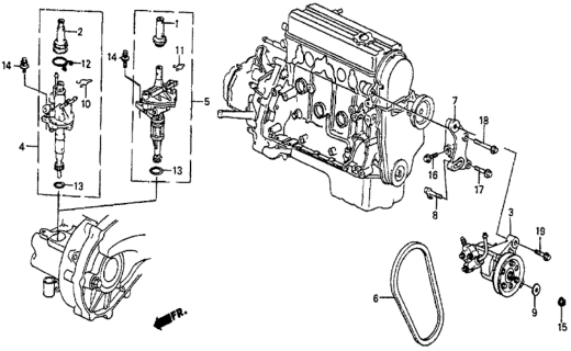
Speed Sensor - P.S. Pump fit your 1987 Honda Prelude 2 Door SI KA 4AT

Currently shopping for
1987 Honda Prelude
Change Vehicle
Vehicle Options
2 Door SI; KA 4AT
Vehicle Options
2 Door SI; KA 4AT
Diagram (1 of 1): Speed Sensor - P.S. Pump
1987 Honda Prelude 2 Door SI KA 4AT Speed Sensor - P.S. Pump Diagram
Enlarge Diagram
Sort by:
Ref No.
Ref No.
Part No. & Part Description
Price & Qty.
Part No. &
Part Description
Genuine Honda Parts, the Right Choice
HondaPartsNow.com offers the wholesale prices for genuine 1987 Honda Prelude parts. Parts like Speed Sensor - P.S. Pump are shipped directly from authorized Honda dealers and backed by the manufacturer's warranty. Parts fit for the following vehicle options. Body & Trim: 2 Door SI. Emission & Transmission: KA 4AT.