My Garage
Cart

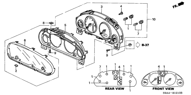
Meter Components fit your 2005 Honda CR-V 5 Door LX (4WD) KA 5AT

Diagram (1 of 1): Meter Components
2005 Honda CR-V 5 Door LX (4WD) KA 5AT Meter Components Diagram
Enlarge Diagram
Sort by:
Ref No.
Ref No.
Part No. & Part Description
Price & Qty.
Part No. &
Part Description
Genuine Honda Parts, the Right Choice
HondaPartsNow.com offers the wholesale prices for genuine 2005 Honda CR-V parts. Parts like Meter Components are shipped directly from authorized Honda dealers and backed by the manufacturer's warranty. Parts fit for the following vehicle options. Body & Trim: 5 Door LX (4WD). Emission & Transmission: KA 5AT.