My Garage
Cart

Battery fit your 2023 Honda Ridgeline 4 Door Black Edition AWD 9AT

Currently shopping for
2023 Honda Ridgeline
Change Vehicle
Vehicle Options
4 Door Black Edition AWD; 9AT
Vehicle Options
4 Door Black Edition AWD; 9AT
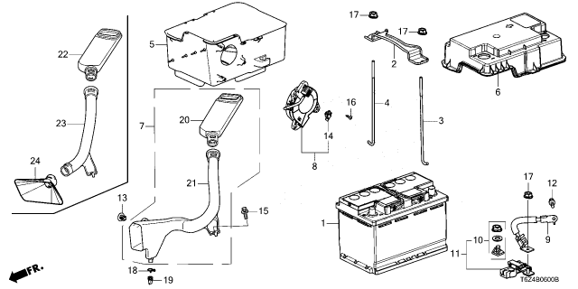
Diagram (1 of 1): Battery
2023 Honda Ridgeline 4 Door Black Edition AWD 9AT Battery Diagram
Enlarge Diagram
Sort by:
Ref No.
Ref No.
Part No. & Part Description
Price & Qty.
Part No. &
Part Description
Genuine Honda Parts, the Right Choice
HondaPartsNow.com offers the wholesale prices for genuine 2023 Honda Ridgeline parts. Parts like Battery are shipped directly from authorized Honda dealers and backed by the manufacturer's warranty. Parts fit for the following vehicle options. Body & Trim: 4 Door Black Edition AWD. Emission & Transmission: 9AT.